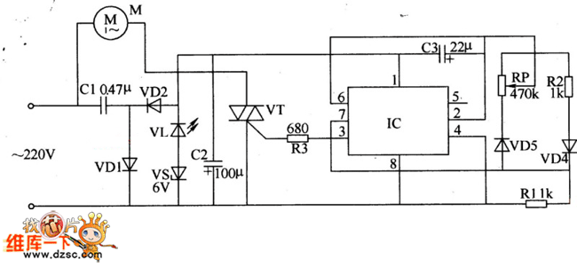
Schematic circuit diagram of fan speed control system The thermistor used in the circuit here, decreases its resistance with increasing temperature, hence the electrical conductivity also increases, increasing voltage across it, resulting in an increment in the speed of the fan. Thus, it is possible to control the speed of the fan automatically when the device's temperature varies.

Last Updated on March 16, 2024 . Automatic Fan Speed Control Circuit Arduino LM35 Programming is very easy to experiment and it can be used to control any target device with relay depends on temperature level. For temperature measurement here we use LM35, this is precision integrated circuit temperature devices with an output voltage linearly proportional to the Centigrade temperature.

Building the Perfect Fan Controller: A Step Circuit Diagram
In this post, we have described how to design Temperature Based Fan Speed Control & Monitoring With Arduino and LM35 Temperature Sensor. The microcontroller controls the speed of an electric fan according to the requirement & allows dynamic and faster control and the LCD makes the system user-friendly. Working of the Circuit: Temperature The following circuit of a temperature or climate controlled automatic fan speed regulator circuit was requested by one of the followers of Climate Dependent Automatic Fan Speed Controller Circuit. As can be seen in the given diagram, a very simple concept has been implemented in the proposed design of a climate controlled or
The analysis controller performance in terms of automatic temperature control based on the speed of the ac fan. temperature controlled ac fan regulator include a diac, triac, 220 power supply and a sensor for sensing the temperature of the environment or device, and a control unit being configured to collect data during the operation of the The 2N2222 NPN transistor acts as a controller switch which controls the speed of the fan by using the signal from the Arduino. The IN4007 Diode acts as a protection for the fan from being damaged. When the temperature exceeds the max temp the 5mm LED light glows. Working of the temperature based fan speed controller Circuit

Automatic Fan Speed Control using PIC16F877A Microcontroller Circuit Diagram
A fan controller schematic refers to the circuit diagram or design of a fan controller. It outlines the components and connections required to build the fan controller. Advanced features: Pre-made fan controllers often come with advanced features such as temperature monitoring, automatic fan speed adjustment, and fan failure detection